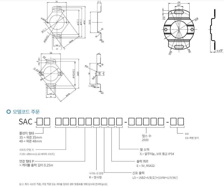
SAC35, SAC48 서보 모터 엔코더(SAC35, SAC48 servo motor encoder)
- 정확한 광전 유도 신호 레벨은 2500P/R에 도달할 수 있습니다.
- 보호 레벨은 IP42에 도달할 수 있습니다.
- 길이가 0.25m에 불과한 케이블 콘센트 플라스틱 하우징은 더 가볍고 비용을 절감합니다.
- 직경은 Ø 9 구리 테이퍼형 샤프트 및 슬리브입니다.
- 더 컴팩트하고 공간이 절약됩니다. 특수 테이퍼형 샤프트 설계로 인해 설치가 더 편리해지고 단락 방지 및 단락 보호 기능이 설치 오류가 엔코더에 미치는 영향을 효과적으로 줄입니다.





