AH100 헤비듀티 증분형 엔코더(AH100 heavy-duty incremental encoder)
- 낙뢰, 과전압, 과전류 및 서지 충격에 대한 보호 쉘이 있으며 견고한 쉘은 보호 등급 IP67을 가지며 먼지와 액체로 인한 오염을 방지할 수 있습니다.
- 위험한 환경용 모델은 최대 10,000P/R의 회전당 펄스로 ATEX 인증을 받았습니다.
- 이중 출력 모듈은 이중 스캐닝 센서와 두 개의 전기적으로 절연된 전자 회로와 함께 사용할 수 있습니다.
- 이중 출력 신호는 두 개의 독립 시스템 또는 중공 샤프트에 사용할 수 있습니다.
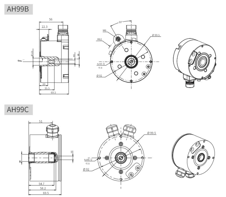
- 중복 신호를 위해 축 나사로 고정됩니다. 샤프트 크기: Ø12 mm, Ø16 mm 및 Ø17 mm 테이퍼 샤프트.
- 절연 PEEK 부싱은 샤프트 전류로부터 베어링을 보호하는 데 사용됩니다.
- 토크 브래킷은 다양한 방향으로 제공되며 토션 암을 고정하는 데 사용됩니다.
- 케이블을 나사 단자에 연결하기 위한 별도의 후면 커버. 케이블 연결 시 취급이 용이하도록 충분한 공간이 있습니다.
- M23 커넥터 또는 사전 조립된 케이블(커넥터 포함 또는 제외)





