기구부 부품
유럽산
중국산
기타
제어부 부품
유럽산
중국산
DC서보드라이브(중국산)
자동구리스주유기(스마트관제시스템+분배시스템)
설비예지보전시스템(온도+진동)
견적/Q&A
견적/Q&A
커뮤니티
공지사항
게시판
자료실
제품 갤러리
전시회갤러리
회사소개
회사소개
오시는길/연락처
이용안내
이용약관
개인정보처리방침
이메일무단수집거부
ENG
GTCHINA
기구부 부품
유럽산
중국산
기타
제어부 부품
유럽산
중국산
DC서보드라이브(중국산)
자동구리스주유기(스마트관제시스템+분배시스템)
설비예지보전시스템(온도+진동)
견적/Q&A
견적/Q&A
커뮤니티
공지사항
게시판
자료실
제품 갤러리
전시회갤러리
회사소개
회사소개
오시는길/연락처
이용안내
이용약관
개인정보처리방침
이메일무단수집거부
제어부 부품
기구부 부품
유럽산
중국산
기타
제어부 부품
유럽산
중국산
DC서보드라이브(중국산)
자동구리스주유기(스마트관제시스템+분배시스템)
설비예지보전시스템(온도+진동)
견적/Q&A
견적/Q&A
커뮤니티
공지사항
게시판
자료실
제품 갤러리
전시회갤러리
회사소개
회사소개
오시는길/연락처
이용안내
이용약관
개인정보처리방침
이메일무단수집거부
정밀한 광전 감지
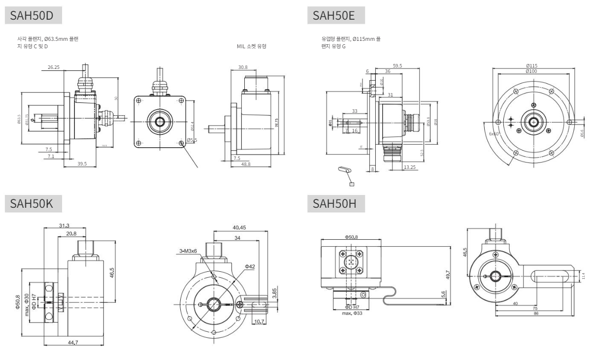
SAH50 증분형 엔코더(SAH50 incremental encoder)
전체 치수는 50mm 및 58mm 솔리드 샤프트와 호환되며 스루홀 유형의 회전당 펄스 수는 최대 16,384P/R까지 가능합니다.
견고한 금속 쉘, 이중 베어링 설계 및 보호 수준은 최대 IP67입니다.
단락 방지 및 단락 보호 기능이 있어 설치 오류가 엔코더에 미치는 영향을 효과적으로 줄입니다.
제품설명
SAH100 표준 스루홀 증분 엔코더
SAH40 증분형 엔코더
목록으로
기구부 부품
유럽산
중국산
기타
제어부 부품
유럽산
중국산
DC서보드라이브(중국산)
자동구리스주유기(스마트관제시스템+분배시스템)
설비예지보전시스템(온도+진동)
견적/Q&A
견적/Q&A
커뮤니티
공지사항
게시판
자료실
제품 갤러리
전시회갤러리
회사소개
회사소개
오시는길/연락처
이용안내
이용약관
개인정보처리방침
이메일무단수집거부