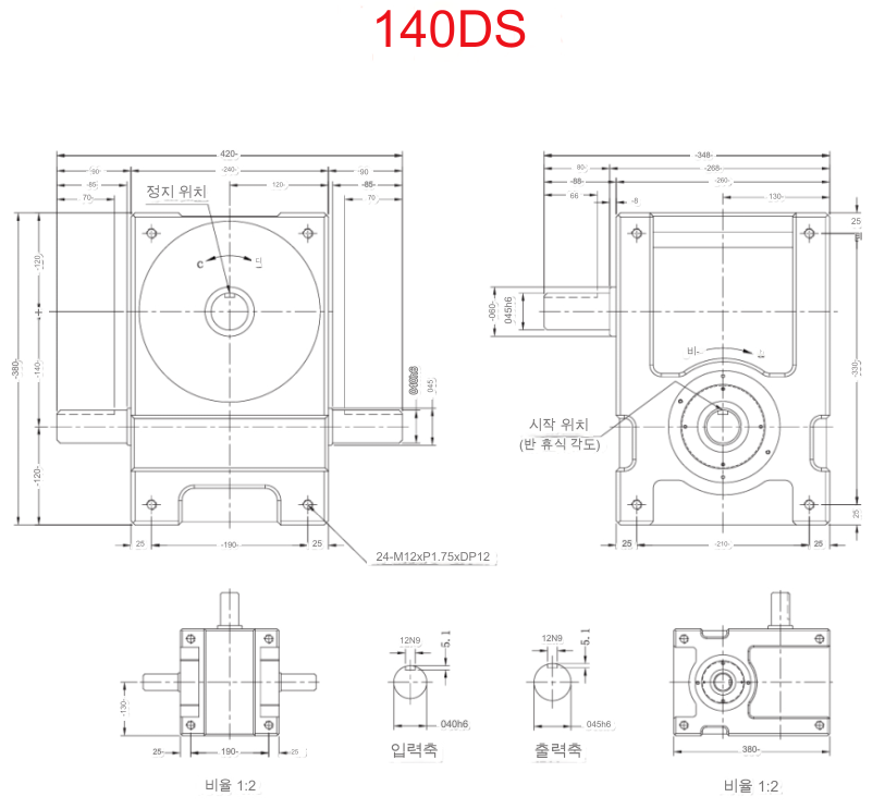
인덱스 드라이브 DS형(지티차이나 브랜드)
- 이 기계 시리즈는 전형적인 스핀들 모양을 가지고 있습니다.
- 장착 액세서리는 기어, 커플링 또는 커플링 디스크와 일치하도록 가공 및 설치되어야 합니다.
- 구멍 직경 공차 및 키홈 공차에 특별한 주의를 기울여야 합니다.
- 이는 컨베이어 벨트, 드라이브 및 기어에 사용됩니다.
- 드라이브는 대부분 백래시가 없는 커플링으로 구동됩니다.

















더 상세한 정보는 당사로 문의 주시길 바랍니다.
기구부 부품
인덱스 드라이브 DS형(지티차이나 브랜드)

















더 상세한 정보는 당사로 문의 주시길 바랍니다.
| 다음제품이 없습니다. | |
| 인덱스 드라이브 DF형 |